File
| Allegato | Dimensione |
|---|---|
| 6.48 MB |
News, eventi, promo, webinar
DVIA-MB è la piattaforma attiva da pavimento per l'isolamento da vibrazioni adatta a tutti i microscopi elettronici SEM e TEM in commercio. DVIA-MB fornisce le condizioni di lavoro ottimali, permettendo ai microscopi elettronici di ottenere immagini in alta risoluzione di campioni biologici e non biologici, riducendo le vibrazioni nel range critico di 1 - 5 Hz, laddove i microscopi elettronici sono estremamente sensibili alle vibrazioni a bassa frequenza.
La base DVIA-MB è composta di quattro unità di isolatori attivi dalle vibrazioni nei quali sono inseriti gli ammortizzatori ad aria e la tecnologia attiva di isolamento. I sensori integrati e gli attuatori riducono efficacemente le vibrazioni a bassa frequenza, e iniziano e isolare le vibrazioni da 0.5 Hz, ottenendo il 90% di isolamento dalle vibrazioni a 2 Hz. Gli ammortizzatori ad aria sopportano carichi da 500 kg a 6000 kg e riducono efficacemente le vibrazioni ad alta frequenza; inoltre abbassano la propria frequenza naturale.
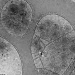
Come dimostrato chiaramente dalle immagini qui sopra, quando, nel caso particolare dei microscopi elettronici, sussiste un disturbo nella cattura dell'immagine, e questo disturbo è chiaramente causato da vibrazioni a bassa frequenza, è fondamentale ridurre queste vibrazioni con l'ausilio della piattaforma DVIA-MB, per ottenere immagini di alta qualità nella nano-scala.
La frequenza naturale dei sistemi antivibrazione della serie DVIA è al di sotto di 0.5 Hz: ciò significa che la serie DVIA riduce con efficacia le vibrazioni a bassa frequenza nel range 1– 5 Hz, mentre i sistemi antivibrazione passivi piuttosto amplificano le vibrazioni in bassa frequenza, a causa della loro naturale frequenza, posizionata su valori più alti.
La frequenza di risonanza dei sistemi di isolamento attivi è molto più bassa dei sistemi di isolamento passivi.
Come evidenziato dal grafico qui sopra, i sistemi attivi eccellono nel controllare le vibrazioni nel range 1-10 Hz, laddove i sistemi passivi amplificano le vibrazioni di bassa frequenza, piuttosto che filtrarle.
Il sistema DVIA-MB è altamente efficace nell'isolare strumenti di ultra-precisione dalle vibrazioni in bassa frequenza, laddove gli strumenti di precisione tendono a diventare instabili. L'isolamento attivo dalle vibrazioni inizia a 0.5 Hz, e la piattaforma antivibrante DVIA-MB riesce ad attutire il 90% delle vibrazioni a 2 Hz e il 99% a 10 Hz.
La piattaforma antivibrante DVIA-MB usa il sistema di controllo del feedback per rilevare in maniera continua le vibrazioni e reagire istantaneamente per minimizzarle in tempo reale. Il sistema di preazione viene utilizzato dal DVIA-MB per filtrare le vibrazioni a pavimento in maniera predeterminata.
Caratteristiche Tecniche
Modello | DVIA-M1000 | DVIA-M3000 | DVIA-M6000 |
|---|---|---|---|
Dimensioni (WxDxH) - Unità di isolamento | 180 x 180 x 180 mm | 232 x 232 x180 mm | 308 x 308 x 180 |
Dimensioni (WxDxH) - Piattaforma | Personalizzata | Personalizzata | Personalizzata |
Massimo carico | 500 -1700 kg | 1500 - 3500 kg | 3000 - 6000 kg |
Range di isolamento attivo | 0.5 - 100Hz | 0.5 - 100Hz | 0.5 - 100Hz |
Gradi di libertà | 6 gradi | 6 gradi | 6 gradi |
Performance di isolamento dalle vibrazioni | ≥ 90% a 2 Hz / 99% a 10 Hz | ≥ 90% a 2 Hz / 99% a 10 Hz | ≥ 90% a 2 Hz / 99% a 10 Hz |
Stabilizzazione | ≤0.3 sec* | ≤0.3 sec* | ≤0.3 sec* |
Tensione di ingresso (V) | AC 80 - 260 V / 50 - 60 Hz | AC 80 - 260 V / 50 - 60 Hz | AC 80 - 260 V / 50 - 60 Hz |
Consumo energetico (W) | Massimo 110 W. Sotto 50W nell'esercizio normale | Massimo 110 W. Sotto 50W nell'esercizio normale | Massimo 110 W. Sotto 50W nell'esercizio normale |
Intervallo di funzionamento - Temperatura (°C) | 5 - 50 °C | 5 - 50 °C | 5 - 50 °C |
Intervallo di funzionamento - Umidità (%) | 20 - 90% | 20 - 90% | 20 - 90% |
Pressione atmosferica richiesta | 5 kg/cm2 | 5 kg/cm2 | 5 kg/cm2 |
* Il tempo di stabilizzazione viene misurato dopo la riduzione dell'input del 90%. Le variabili in gioco sono diverse, quali il carico, la forza, la frequenza naturale, ecc...
























